Pipe Clamp With M8+10 Nut &Rubber 110-115mm
It effectively reduces unwanted noise and vibrations inside the pipes. Made of high-quality galvanized steel that provides superior strength and durability, making it resistant to rust and corrosion for long-lasting use. It also features an easy-to-use design that allows for easy installation and disassembly, saving time and effort. Available in a variety of different sizes and shapes with highest quality and best price.
Pipe Clamp With M8+10 Nut &Rubber 110-115mm CONSTRUCTION FEATURES:
Made with Mild steel (Cold Rolled & Hot Rolled steel)
EPDM Lining rubber for sound reduction. Heat Resistance more than 120° Centigrade
Finish: Electro galvanized / Hot dip galvanized / Stainless steel / Copper plated / Epoxy coated
SS 304 / SS 316 can be manufactured on request
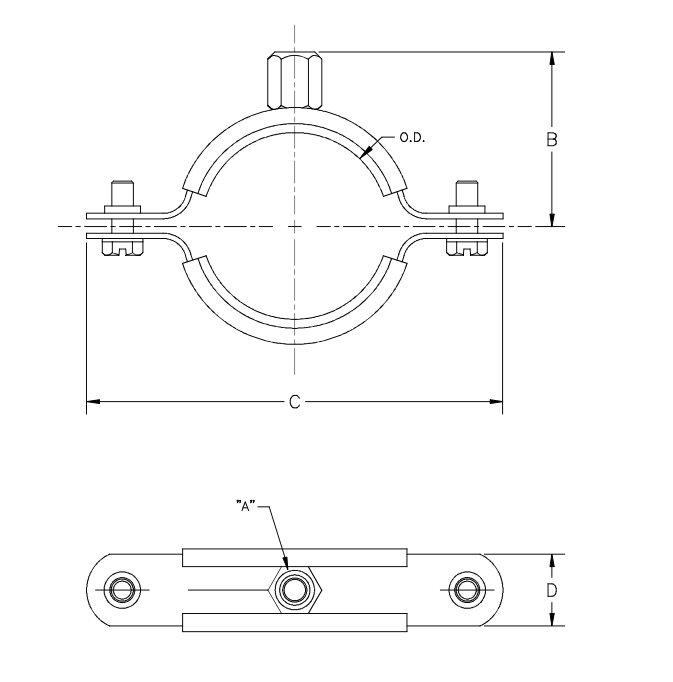
Pipe Clamp With M8+10 Nut &Rubber 110-115mm dimension and size:

| Part # | Dimensions (mm) | Pipe | OD (mm) | Steel | Copper | UPVC/PE | Cast Iron | Rubber (mm) | Locking Screw | Qty | Min. | Design | ||
| min | max | Nom (OD) | Nom (OD) | Nom (OD) | (box) | Torque | Load (kg) | |||||||
| B | C | D | ||||||||||||
| 812-12-14 | 28 | 53 | 20 | 12 | 14 | 3/8″ (14) | 20×3.5 | M6/16 | 150 | 70 | 112 | |||
| 812-15-19 | 30 | 58 | 20 | 15 | 19 | 15, 18 | 16 | 20×3.5 | M6/16 | 150 | 70 | 112 | ||
| 812-20-23 | 33 | 62 | 20 | 20 | 23 | 1/2″ (22) | 22 | 20 | 20×3.5 | M6/16 | 100 | 70 | 112 | |
| 812-26-28 | 35 | 69 | 20 | 26 | 28 | 3/4″ (27) | 28 | 20×3.5 | M6/16 | 100 | 70 | 112 | ||
| 812-32-35 | 39 | 76 | 20 | 32 | 35 | 1″ (34) | 35 | 32 | 20×3.5 | M6/16 | 100 | 70 | 112 | |
| 812-40-43 | 42 | 83 | 20 | 40 | 43 | 1 1/4″ (42) | 42 | 40, 43 | 20×3.5 | M6/20 | 50 | 70 | 112 | |
| 812-44-49 | 45 | 90 | 20 | 44 | 49 | 1 1/2″ (48) | 45 | 1 1/2″ (48) | 20×3.5 | M6/20 | 50 | 70 | 112 | |
| 812-50-56 | 51 | 103 | 20 | 50 | 56 | 54 | 54 | 20×4.5 | M6/20 | 50 | 80 | 122 | ||
| 812-57-61 | 54 | 109 | 20 | 57 | 61 | 2″ (60) | 60 | 2″ (60) | 20×4.5 | M6/20 | 50 | 80 | 122 | |
| 812-63-67 | 56 | 114 | 20 | 63 | 67 | 64, 67 | 20×4.5 | M6/20 | 50 | 80 | 122 | |||
| 812-70-73 | 60 | 120 | 20 | 70 | 73 | 2 1/2″ (73) | 70 | 70 | 20×4.5 | M6/20 | 50 | 80 | 122 | |
| 812-74-80 | 63 | 127 | 20 | 74 | 80 | 76, 80 | 75 | 20×4.5 | M6/20 | 50 | 80 | 122 | ||
| 812-83-91 | 69 | 138 | 20 | 83 | 91 | 3″ (89) | 83, 90 | 3″ (89) | 20×4.5 | M6/20 | 50 | 100 | 122 | |
| 812-101-106 | 78 | 161 | 20 | 101 | 106 | 3 1/2″ (102) | 102, 105 | 102 | 25×5.5 | M8/25 | 25 | 100 | 153 | |
| 812-108-114 | 82 | 168 | 20 | 108 | 114 | 4″ (114) | 108 | 110 | 4″ (114) | 25×5.5 | M8/25 | 25 | 100 | 153 |
| 812-125 | 87 | 179 | 25 | 125 | 125 | 125 | 125 | 25×5.5 | M8/25 | 25 | 100 | 214 | ||
| 812-131-135 | 93 | 190 | 25 | 131 | 135 | 133 | 135 | 25×5.5 | M8/25 | 25 | 100 | 214 | ||
| 812-136-139 | 95 | 194 | 25 | 136 | 139 | 25×5.5 | M8/25 | 25 | 100 | 214 | ||||
| 812-140-144 | 97 | 199 | 25 | 140 | 144 | 5″ (141) | 140 | 5″ (140) | 25×5.5 | M8/25 | 25 | 100 | 214 | |
| 812-159-163 | 106 | 217 | 25 | 159 | 163 | 159 | 160 | 25×5.5 | M8/25 | 20 | 100 | 214 | ||
| 812-165-169 | 109 | 227 | 25 | 165 | 169 | 6″ (168) | 168 | 168 | 6″ (165) | 25×5.5 | M8/25 | 20 | 100 | 214 |
| 812-215-220 | 134 | 273 | 25 | 215 | 220 | 8″ (219) | 220 | 8″ (219) | 25×5.5 | M8/25 | 10 | 100 | 214 | |
| 812-224-235 | 142 | 288 | 25 | 224 | 235 | 225 | 25×5.5 | M8/25 | 10 | 100 | 214 | |||
Pipe Clamp With M8+10 Nut &Rubber 110-115mm measurement and dimension :





Contact our sales for Pipe Clamp With M8+10 Nut &Rubber 110-115mm factory price and drilling screw catalogue:
sales@techiclamp.com
chloe@techiclamp.com
whatsapp/wechat:+86-18522569512
Tel:+86-022-65191886